Для ремонта Фольксваген Поло нужно использовать электрические схемы. Схемы выпуска седана Фольксваген Поло до и после 2010 года представлены ниже.
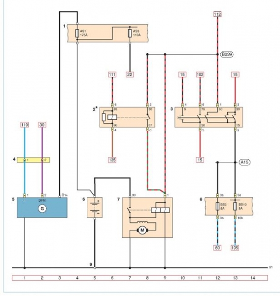
На схеме запуска двигателя реле стартера обозначено позицией 2, группа контактов ключа — 3, стартер — 7. Цифрой 7 обозначен аккумулятор. «Масса» — 9
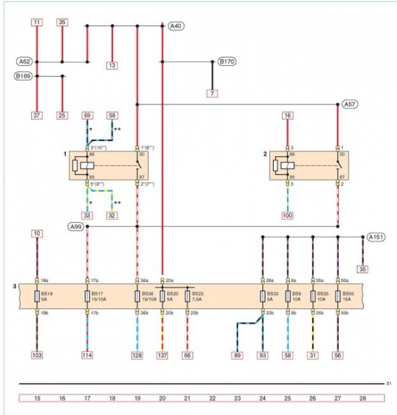
* — для автомобилей с АКПП
На этой схеме: топливный насос — 1, реле управления топливным насосом — 2
* до выпуска 2011 г;
** из издания 2011 г. — ниже по тексту.
Система управления двигателем (СКД). На схеме изображены: реле охлаждения радиаторов — 2, реле шины 30 — 3, ЭБУ — 5, датчик акселератора — 6.
SKD (продолжение): ЭБУ — 1; Катушка зажигания четыре — 2.
SKD (продолжение): форсунки цилиндра — 3; электромагнитный клапан — 4.
СКД (продолжение): датчик кондиционера — 1; ЭБУ — 3; датчик температуры охлаждающей жидкости — 4; датчик абсолютного давления и температуры — 5; датчик коленвала — 6; Датчик распредвала — 7.
СКД (продолжение): лямбда-зонд — 1; датчик тормоза — 5; блокировка антиблокировочной тормозной системы — 4; датчик сцепления — 6.
СКД (продолжение): реле зажигания — 2; дроссельная заслонка –4; датчик детонации –5.
SKD (продолжение): OBDII — 2 разъема; лямбда-зонд — 5.
СКД (продолжение): приборная панель — 1; указатель уровня топлива — 2; уровень топлива — 3; указатель температуры охлаждающей жидкости — 4; сигнализатор аккумуляторной батареи — 5; ЖК-дисплей — 6; поз. 2 — блок подачи топлива (топливный насос — 1; датчик — 2); датчик температуры окружающей среды — 3.
ЭБУ: панель приборов 1 (- блок управления — 1; индикатор неисправности двигателя — 2; индикатор тормозов — 3; индикатор акселератора — 4; индикатор масла — 5; индикатор тормозной жидкости — 6); датчик скорости — 4; датчик сцепления — 5.
* с механической коробкой передач
Схема 2-го блока предохранителей: 1 блок предохранителей в моторном отсеке — 1; ключ зажигания — 2; Аккумулятор — 3.
2-й блок предохранителей: реле ближнего света — 1; реле зажигания — 2.
Блок управления кузовом (БУК): выключатель света — 2; система силового агрегата — 1.
БУК: регулировка яркости подсветки — 1; направление светового регулятора — 2.
БУК: замок багажника — 2; омыватель лобового стекла — 5; ТЭН задний — 3, контактный узел правой рулевой колонки — 4.
БУК: сигнал — 2; контактная группа левой рулевой колонки — 5; щетки лобового стекла — 3; спиральное кольцо 4.
БУК: реверс — 3; сигнальный выключатель — 4; обогрев заднего стекла — 5; концевой выключатель капота — 6.
БУК: левый поворотный свет — 3; левая фара — 4.
БУК: фара правая — 3; очередь — 2; дополнительный тормозной сигнал — 4.
БУК: таблетка — 4; левый фонарь — 3 шт .; правый задний фонарь — 6.
БУК: индикатор CZ — 5; Центральный замок водителя — 4; переключатель багажника — 6; работа водительской двери 7; танковая эксплуатация — 8.
БУК: блок реле — 2; Окно водителя 4.
БУК: замок передней правой двери — 4; подъемник передней правой двери -3.
БУК: управление дверью 3.4.
БУК: мотор крышки багажника — 4; команда блокировки задней правой двери — 3.
БУК: внутренний потолок — 2; крышка багажника — 3; прикуриватель — 4.
БУК: сигнал — 4; блок управления — 5.
БУК: блок управления кондиционером — 3; блок управления АКПП — 5; Блок SRS — 4; Разъем OBDII — 6.
Отопитель: блок управления — 1; сигнализатор — 4 шт .; подсветка — 2; вентилятор печки — 3.
Панель приборов: гидроусилитель руля — 2 шт .; змеевик помпы иммо — 1; приборка — 3 (приборка ЭБУ — 1; индикатор открытой двери — 2; указатель левого поворота — 5; низкий уровень в баке — 3; ремень безопасности 4; температура охлаждающей жидкости — 7; противотуманки — 8; дальний свет — 9; ошибки двигателя — 10 ; зарядное устройство — 11).
Аккуратно: парковка — 1; температура воздуха — 2; выключатель сигнальной лампы стояночного тормоза — 4; датчик уровня тормозов — 3.
АБС: зажигание — 1; Блок АБС — 2.
Цепь АБС, изд.
Цепь АБС (продолжение): Блок АБС — 1; Колеса из ПП — 6; Колесо ПЗ — 5; Колеса ЗЛ — 7; Колеса PL — 8.
ABS (штраф): датчик тормозной жидкости 4.
Руководствуясь предоставленными электросхемами автомобиля Фольксваген Поло пятого поколения, можно произвести ремонт электрооборудования.



































